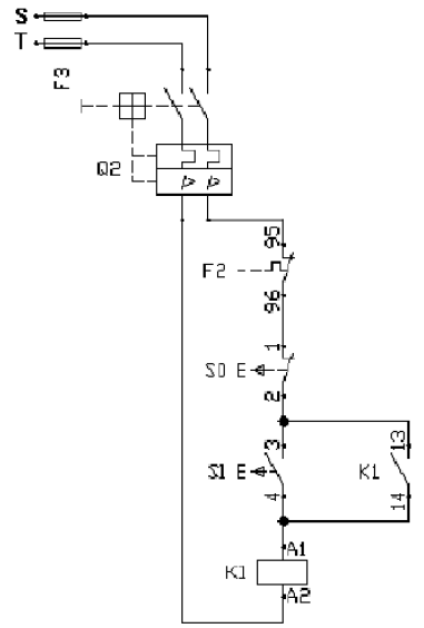
O esquema de comando de uma chave magnética é mostrado na figura abaixo.

Nesse esquema, o componente da chave magnética que representa o contato normalmente aberto é apresentado na alternativa
O esquema de comando de uma chave magnética é mostrado na figura abaixo.

Nesse esquema, o componente da chave magnética que representa o contato normalmente aberto é apresentado na alternativa