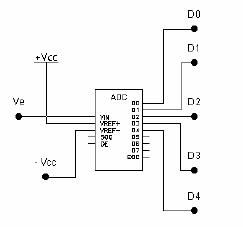
O diagrama abaixo é de um Conversor A/D industrial devidamente polarizado, que pode converter, em níveis digitais, níveis analógicos de Zero a +255 Volts. A entrada analógica é o ponto E e as saídas são D0, D1, D2, D3 e D4.

Provas
Questão presente nas seguintes provas