A Figura a seguir mostra o circuito equivalente de um transformador monofásico, indicando numericamente os componentes e os valores eficazes das correntes.

Diante do exposto, o valor das perdas do núcleo do transformador, em W, é
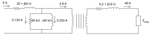
A Figura a seguir mostra o circuito equivalente de um transformador monofásico, indicando numericamente os componentes e os valores eficazes das correntes.

Diante do exposto, o valor das perdas do núcleo do transformador, em W, é