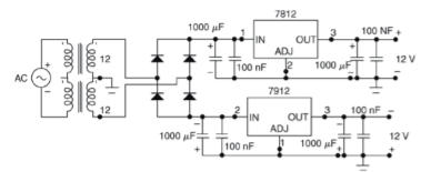
O circuito abaixo mostra uma fonte de alimentação regulada muito utilizada em sistemas eletrônicos.

Fonte: Balbinot, Alexandre / Instrumentação e Fundamentos de Medidas Vol.1.
Assinale a alternativa correta com relação a esta fonte de alimentação.
O circuito abaixo mostra uma fonte de alimentação regulada muito utilizada em sistemas eletrônicos.

Fonte: Balbinot, Alexandre / Instrumentação e Fundamentos de Medidas Vol.1.
Assinale a alternativa correta com relação a esta fonte de alimentação.