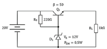
O circuito da figura abaixo refere-se a um regulador de tensão CC
série que utiliza um diodo Zener como referência e um transistor para
controlar a corrente de carga RL. 
Considere que:
I- A tensão base do transitor (Vbe) é 0,7V; II- A tensão Zener do diodo (VZ) é igual a 12V.
A tensão disponível na carga (RL) é

Considere que:
I- A tensão base do transitor (Vbe) é 0,7V; II- A tensão Zener do diodo (VZ) é igual a 12V.
A tensão disponível na carga (RL) é
Provas
Questão presente nas seguintes provas