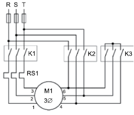
Considere o diagrama de força de uma chave estrela- -triângulo mostrado na figura a seguir.

Se a corrente nominal do motor de indução trifásico M1 é de 120 A quando operando com fechamento em Δ, e seu fator de serviço (FS) é igual a 1,15, o ajuste do relé de sobrecarga RS1, para adequada proteção do motor, deve ser