
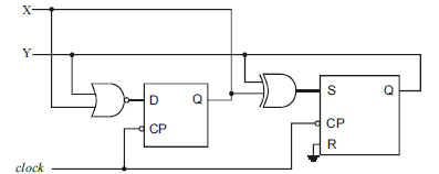
A respeito das saídas X e Y do circuito lógico representado na figura acima, é correto afirmar que, se o estado presente dos flip-flops for
Provas
Questão presente nas seguintes provas
Técnico da EBC - Manutenção de Rádio
120 Questões
Técnico da EBC - Manutenção de Televisão
120 Questões