Acerca do comando e proteção de motores, julgue o item seguinte.
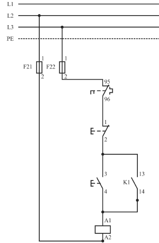
No esquema de comando seguinte, o relé térmico de terminais 95 e 96 desliga o motor por meio da dilatação de suas lâminas bimetálicas, em situações como sobrecorrente gerada por travamento do rotor.

Provas
Questão presente nas seguintes provas