Analise o circuito a seguir para responder às questões 36, 37 e 38.

O circuito apresenta quatro amperímetros (A1, A2, A3 e A4), que medem a corrente em cada ramo. O valor da corrente sendo medida no amperímetro A1 é de:
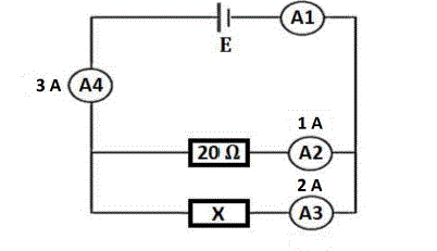
Analise o circuito a seguir para responder às questões 36, 37 e 38.

O circuito apresenta quatro amperímetros (A1, A2, A3 e A4), que medem a corrente em cada ramo. O valor da corrente sendo medida no amperímetro A1 é de: