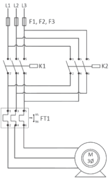
O diagrama trifilar apresentado a seguir mostra o circuito de
acionamento de um motor de indução trifásico.

Analisando o diagrama, verifica-se que os contatores K1 e K2 acionam o motor, possibilitando

Analisando o diagrama, verifica-se que os contatores K1 e K2 acionam o motor, possibilitando