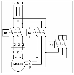
Um motor de indução trifásico possui seis terminais acessíveis e por consequência apresenta duas tensões possíveis de operação 220 V e 380 V. A figura ao lado mostra um circuito para acionamento desse motor composto por três contatores K1, K2 e K3 e alguns dispositivos de proteção. Com base na figura e nas informações apresentadas considere se as seguintes afirmativas são verdadeiras(V) ou falsas(F):

( ) O motor será utilizado numa região onde a tensão de linha do sistema trifásico é de 220 V. Para acionar esse motor com a partida direta, os contatores K1 e K2 devem ser acionados.
( ) O motor será utilizado numa região onde a tensão de linha do sistema trifásico é de 220 V. Para acionar esse motor utilizando a técnica de partida Estrela-Triângulo, os contatores devem ser acionados na seguinte sequência: inicialmente os contatores K1 e K3 devem fechar, depois de transcorrido certo tempo, o contator K3 deve fechar e logo após o fechamento de K3 o contator K2 deve abrir.
( ) O motor será utilizado numa região onde a tensão de linha do sistema trifásico é de 380 V. Para acionar esse motor com a partida direta os contatores K1 e K3 devem ser acionados.
( ) O motor será utilizado numa região onde a tensão de linha do sistema trifásico é de 380 V. Nessa região não é possível utilizar a técnica de partida Estrela-Triângulo para o motor de indução trifásico caracterizado no enunciado.
Assinale a alternativa que apresenta a sequência correta, de cima para baixo.