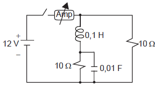
A Figura a seguir mostra uma experiência em laboratório, onde um amperímetro é inserido entre a fonte DC de alimentação e um circuito RLC, através do comando de uma chave. Considere que o indutor e o capacitor estão, inicialmente, descarregados.

No exato instante em que a chave é fechada, qual o valor da corrente elétrica, em ampères, medida no amperímetro?