Magna Concursos
Questões
Planos
Entrar
Entrar
Criar Conta
Respondida
2991464
Ano:
2023
Disciplina:
Eletroeletrônica
Banca:
Instituto Access
Orgão:
UFJ
Provas:
Técnico de Laboratório - Eletrotécnica
Provas
×
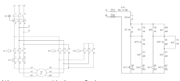
Os diagramas de ligação e comando apresentados a seguir para acionamento de um motor de indução trifásico são usados para
A
reverter o sentido de rotação do motor.
B
reduzir a corrente de partida por meio.
C
aumentar o torque de partida.
D
reduzir a corrente de partida pela metade do valor da corrente nominal do motor.
E
temporizar a curva de partida por meio do temporizador KT1.
Resolver
Comentários
0
×
Cadernos
×
Flashcards
×
Estatísticas
×
Reportar um erro
×
Provas
Questão presente nas seguintes provas
Técnico de Laboratório - Eletrotécnica
55 Questões
Resolver Prova
Publicar
Responder
Qual o problema da questão?
Selecione uma opção
Questão Desatualizada
Questão Repetida
Gabarito Errado
Outros Motivos
Mensagem
Enviar
Acessar
Criar Conta
Acesse sua Conta
Google
Facebook
Esqueci minha senha
Acessar
Ainda não tem conta?
Crie uma
!
Crie uma Conta
Criar Conta
Olá, para continuar, precisamos criar uma conta!
É
rápido
e
grátis
.
Google
Facebook
Concordo com os
Termos de Uso
Criar
Já tem uma conta?
Acesse aqui