Magna Concursos
3307392 Ano: 2024
Disciplina: Eletroeletrônica
Banca: FEPESE
Orgão: Pref. Concórdia-SC
Provas:

Sistema

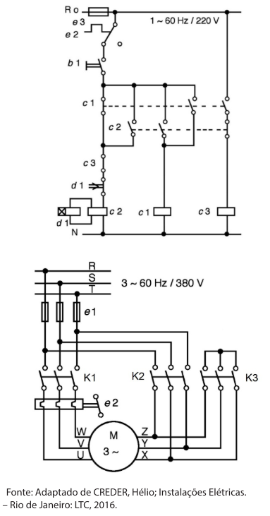
Responda a questão com relação ao sistema de acionamento de um motor de indução trifásico mostrado na figura abaixo.

Enunciado 3307392-1

Assinale a alternativa com a correta nomenclatura do dispositivo “d1”.
 

Provas

Questão presente nas seguintes provas

Engenheiro Eletricista

35 Questões