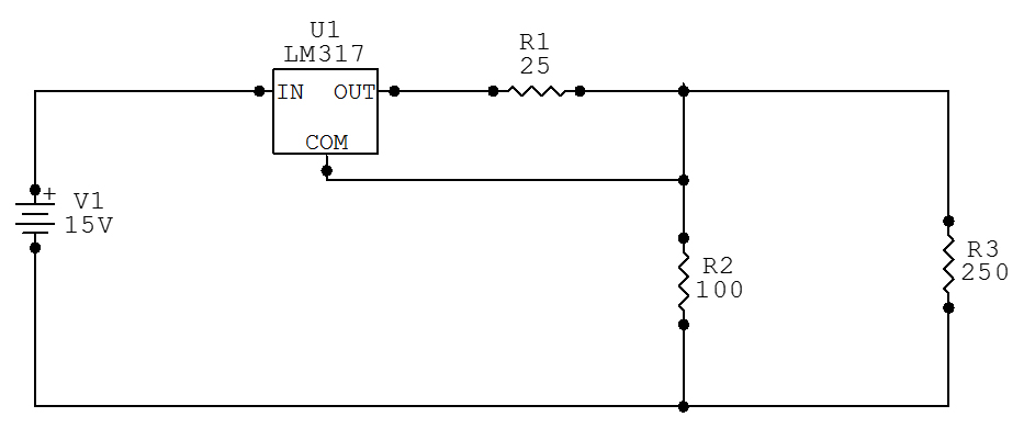
O circuito mostra uma fonte de corrente constante usando o CI LM317, que apresenta tensão fixa de 1,25 V entre os terminais OUT(+) e COM(-). Os resistores estão em ohm e a corrente em COM é zero.

O modelo de Thevenin do circuito, visto pelos terminais de R3, apresenta VTh e RTh, respectivamente, iguais a