3605904
Ano: 2025
Disciplina: Eletroeletrônica
Banca: FUNDATEC
Orgão: Pref. Tangará Serra-MT
Disciplina: Eletroeletrônica
Banca: FUNDATEC
Orgão: Pref. Tangará Serra-MT
Provas:
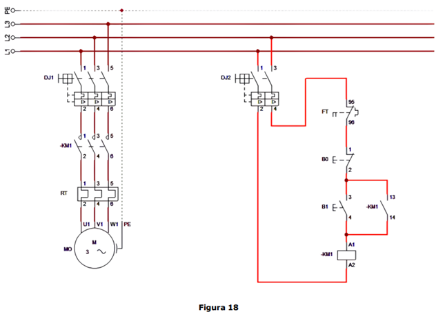
A Figura 18 abaixo exibe os diagramas de força e controle de partida direta de um
motor trifásico.
Enumere os passos abaixo de acordo com a ordem correta de execução de partida do sistema elétrico da Figura 18.
( ) Pressionar o botão B1.
( ) O botão B1 quando pressionado, energiza a contatora KM1.
( ) Ligar disjuntores DJ1 e DJ2.
( ) A contatora KM1 energizada aciona a chave tripla KM1, fechando-as e energizando o motor, que entrará em funcionamento.
A ordem correta de preenchimento dos parênteses, de cima para baixo, é:
Enumere os passos abaixo de acordo com a ordem correta de execução de partida do sistema elétrico da Figura 18.
( ) Pressionar o botão B1.
( ) O botão B1 quando pressionado, energiza a contatora KM1.
( ) Ligar disjuntores DJ1 e DJ2.
( ) A contatora KM1 energizada aciona a chave tripla KM1, fechando-as e energizando o motor, que entrará em funcionamento.
A ordem correta de preenchimento dos parênteses, de cima para baixo, é: