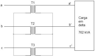
Um transformador trifásico abaixador de tensão é construído a partir da conexão Y-Y de três transformadores monofásicos
de 2:1, conforme mostrado na figura a seguir.
Uma carga trifásica é conectada ao secundário do transformador trifásico. Considerando que a carga consome uma potência total de 762 kVA, e que a tensão de linha no secundário do transformador é √3.127 kV, a corrente de linha no primário do transformador trifásico vale
Uma carga trifásica é conectada ao secundário do transformador trifásico. Considerando que a carga consome uma potência total de 762 kVA, e que a tensão de linha no secundário do transformador é √3.127 kV, a corrente de linha no primário do transformador trifásico vale