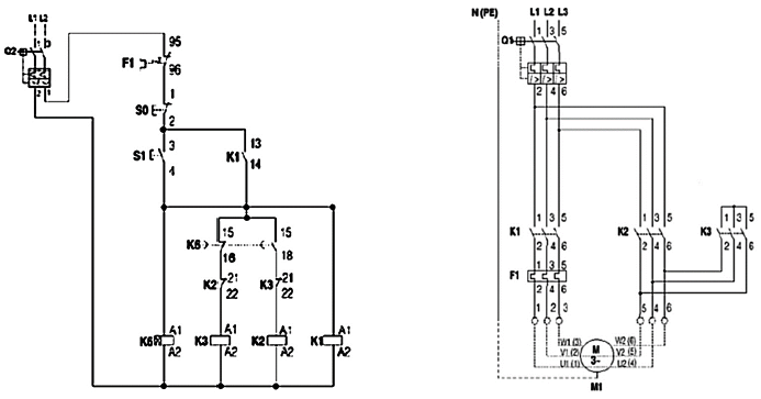
Considere os seguintes esquemas de comando e de força:

Sobre esses esquemas de comando e de força, considere as seguintes afirmativas:
1. Trata-se de um esquema de ligação de motor de indução de corrente alternada do tipo chave compensadora.
2. A corrente de partida é aproximadamente 1/3 da corrente nominal.
3. Trata-se de uma forma de partida exclusiva para motores de baixa rotação e que partem sem carga.
Assinale a alternativa correta.