- EletrotécnicaCircuitos Elétricos em Eletricidade
- EletrotécnicaCircuitos de Corrente Contínua e de Corrente Alternada

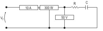
No circuito apresentado na figura acima, encontram-se instalados um amperímetro, um wattímetro e um voltímetro, com suas respectivas medidas assinaladas. Com base nas leituras dos instrumentos, onde corrente e tensão são medidas em valor eficaz e sabendo-se que o capacitor é de 1/8 F a frequência angular da fonte de tensão senoidal Vf' , em rad/s, é