Utilize as figuras a seguir para responder a questão.
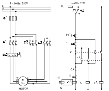
As figuras 1 e 2 são, respectivamente, o diagrama de força e o diagrama de comando de um sistema de partida de um motor de indução trifásico.

Figura 1: CREDER, Hélio. Instalações elétricas. 14. ed. Rio de Janeiro: LTC, 2000. p. 246. Figura 2: CREDER, Hélio. Instalações elétricas. 14. ed. Rio de Janeiro: LTC, 2000. p. 246.
O tipo de partida representado pelas figuras é a partida