
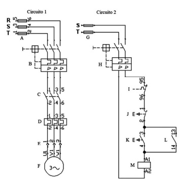
Considerando um motor acionado pelos circuitos indicados na figura precedente, julgue o item seguinte.
O esquemático apresentado é recomendado para uma partida de motor elétrico com chave compensadora.

Considerando um motor acionado pelos circuitos indicados na figura precedente, julgue o item seguinte.
O esquemático apresentado é recomendado para uma partida de motor elétrico com chave compensadora.