Magna Concursos
715267 Ano: 2006
Disciplina: Eletroeletrônica
Banca: FCC
Orgão: MPE-PE

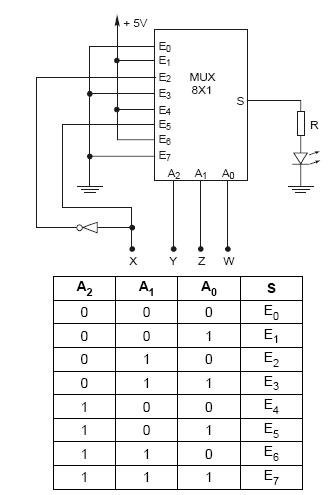
Considere o circuito lógico abaixo e a tabela-verdade do multiplex:

enunciado 715267-1

O LED acende em
 

Provas

Questão presente nas seguintes provas

Técnico Ministerial - Eletrônica

60 Questões