Magna Concursos
463184 Ano: 2017
Disciplina: Eletroeletrônica
Banca: FCM
Orgão: IF-RJ

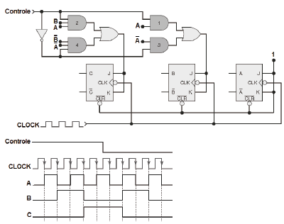
Analise os diagramas esquemáticos e de tempo abaixo.

enunciado 463184-1

O circuito é um

 

Provas

Questão presente nas seguintes provas

Técnico de Laboratório - Eletrotécnica

50 Questões