Magna Concursos
1907051 Ano: 2018
Disciplina: Eletroeletrônica
Banca: FUNDEP
Orgão: HRTN-MG

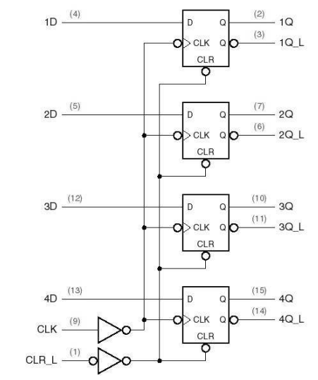
A figura a seguir apresenta o diagrama do CI 74LS175.

Enunciado 1907051-1

Sobre características desse CI, assinale a alternativa incorreta.

 

Provas

Questão presente nas seguintes provas

Técnico de Manutenção - Eletrônica

35 Questões