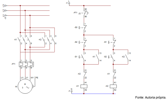
Na figura a seguir, podem ser observados os diagramas de potência e comando que se referem ao esquema de ligação de uma chave convencional de partida de motores elétricos de indução.

Considere as seguintes afirmativas em relação ao esquema de ligação e aos dispositivos de comando e de proteção da figura apresentada:
I. O esquema corresponde a uma chave de partida direta com reversão.
II. O contato auxiliar 95-96 do dispositivo FT1 tem como finalidade a interrupção da corrente no circuito de comando, após um determinado intervalo de tempo.
III. O contato auxiliar 13-14 de K1 tem a função de selo, a fim de manter o contator K1 energizado.
IV. O contato auxiliar 21-22 de K2 tem a função de intertravamento.
Está CORRETO o que se afirma em: