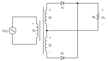
A figura abaixo representa um circuito retificador monofásico de onda completa.

São fornecidos os seguintes dados do circuito:
V(t) = 380sen(120πt + 10°) V; RL = 20 Ω; α = 2,4 (relação de espiras); RTJC = 1,0 °C/W; RTCD = 2,0 °C/W; VD = 0,7 V; rD = 40 mΩ; TJ = 150 °C; TA = 50 °C.
Nesse caso o valor da potência na carga RL é, aproximadamente, igual a
Considere √2 = 1,41