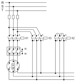
A respeito da partida de motores utilizando chave estrela-triângulo, cujo diagrama é representado ao lado, considere as afirmativas:
I. No instante da partida somente k1 e k2 devem estar energizados.
II. Após o chaveamento para ligação em triângulo, somente k1 e k3 estarão energizados.
III. Em regime normal de operação, somente k1 e k2 devem estar energizadas.
Estão corretas apenas as afirmativas:
