- EletrotécnicaCircuitos de Corrente Contínua em Eletrotécnica
- EletrotécnicaCircuitos Elétricos em Eletrotécnica
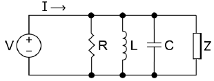
A admitância equivalente do circuito a seguir é 4,5 - j2 mhos.

Considere que:
I. R = 2 Ω II. L = j1 H III. C = -j 0,5 f.
Com base no que foi descrito, a impedância Z pode ser corretamente representada por

Considere que:
I. R = 2 Ω II. L = j1 H III. C = -j 0,5 f.
Com base no que foi descrito, a impedância Z pode ser corretamente representada por