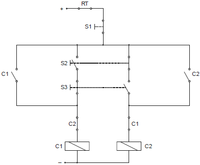
O esquema elétrico abaixo corresponde ao circuito de comando de um sistema de potência que controla a operação de um motor trifásico.

Analisando apenas o circuito de comando e tendo como referência os dispositivos D1 a D4:
D1 = chave de impulso (sem retenção) com dois contatos, sendo um NA e outro NF.
D2 = chave de impulso (sem retenção) com um contato NF.
D3 = contator com dois contatos, sendo um NA e outro NF.
D4 = contato NF do relé térmico.
Identifique os dispositivos que dele fazem parte:
| D1 | D2 | D3 | D4 |