- EletrotécnicaCircuitos Elétricos em Eletricidade
- EletrotécnicaCircuitos de Corrente Contínua e de Corrente Alternada
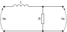
Observe o circuito a seguir:

Sabendo-se que L = 100mH e R=2kΩ, o circuito apresentado se comporta como um filtro

Sabendo-se que L = 100mH e R=2kΩ, o circuito apresentado se comporta como um filtro
Provas
Questão presente nas seguintes provas