- EletrotécnicaCircuitos Elétricos em Eletricidade
- EletrotécnicaCircuitos de Corrente Contínua e de Corrente Alternada
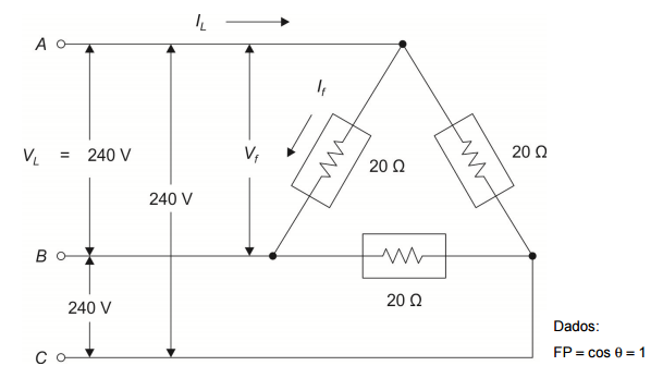
Considere a figura abaixo. ,
Três resistências de 20 Ω cada, são ligadas em triângulo a uma linha de 3 − ∅ de 240 V funcionando com um FP de uma
unidade.
A potência consumida pelas três resistências é igual a
Três resistências de 20 Ω cada, são ligadas em triângulo a uma linha de 3 − ∅ de 240 V funcionando com um FP de uma
unidade.
A potência consumida pelas três resistências é igual a