Magna Concursos
1378827 Ano: 2008
Disciplina: Desenho Técnico e Industrial
Banca: IF-SUL
Orgão: IF-SUL
Provas:
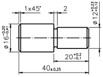
Observe o desenho abaixo.
Enunciado 1378827-1
No Desenho Técnico algumas cotas em milímetros (mm) estão indicando os afastamentos de acordo com as necessidades funcionais de cada parte da peça. Assim pode-se afirmar que
I. a dimensão efetiva do diâmetro maior é maior que a dimensão nominal.
II. a tolerância do comprimento da peça é de 0,5mm.
III. a dimensão mínima do diâmetro menor é 12,12mm.
Está(ão) correta(s) a(s) afirmativa(s)
 

Provas

Questão presente nas seguintes provas

Professor PEBTT - Artes

40 Questões