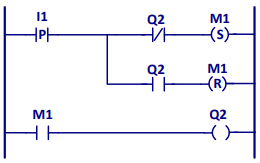
O diagrama Ladder possui uma função de detecção de borda de subida por I1 e saídas Set e Reset em M1.

A ação ocorrida sobre Q2 é:
O diagrama Ladder possui uma função de detecção de borda de subida por I1 e saídas Set e Reset em M1.

A ação ocorrida sobre Q2 é: