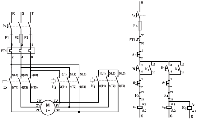
Nas figuras abaixo são mostrados diagramas de partida direta para motores trifásicos de dupla velocidade a contator.

As letras Z, W, Y e X representam os locais de instalação dos contatores k1 e k2. Para o perfeito funcionamento da instalação, qual das seqüências seguinte está correta?