Magna Concursos
824030 Ano: 2015
Disciplina: Eletroeletrônica
Banca: FUNIVERSA
Orgão: UEG
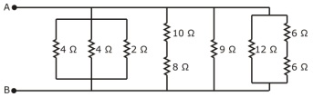
As associações-série e as associações em paralelo de resistores são cruciais para a análise de circuitos CC. enunciado 824030-1


No sistema resistivo ilustrado na figura acima, a resistência equivalente de entrada em relação aos nós A e B será igual a
 

Provas

Questão presente nas seguintes provas