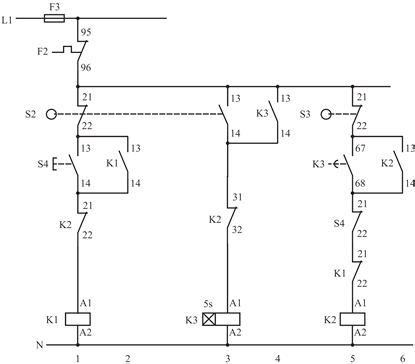
O esquema de comando apresentado na figura seguinte foi empregado para o acionamento de um motor de indução trifásico para o fechamento e abertura de um portão de uma garagem. As chaves fins de cursos são acionadas uma na abertura total e a outra no fechamento total do portão. Analise o diagrama e as proposições de I a IV seguintes:

I - A contatora K1 é responsável pelo acionamento do motor para a abertura do portão.
II - Uma vez iniciada a abertura do portão, essa ação poderá ser cancelada a qualquer momento.
III - Uma vez iniciado o fechamento do portão, essa ação poderá ser cancelada a qualquer momento.
IV - Após abertura total do portão, esse será fechado automaticamente após 5s.
Assinale a alternativa CORRETA.