- EletrotécnicaCircuitos Elétricos em Eletricidade
- EletrotécnicaCircuitos de Corrente Contínua e de Corrente Alternada
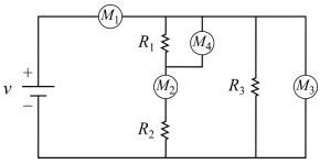
Em um experimento realizado em laboratório para uma aula de grandezas elétricas e instrumentos de medição, montou-se o circuito ilustrado na figura a seguir, que é composto por uma fonte de tensão CC com valor v de 20 V, conectada a resistores com valores R1 = 10 Ω, R2 = 15 Ω e R3 = 100 Ω. Os medidores M1 , M2 , M3 e M4 são ideais e estão corretamente conectados para seus devidos fins.

Com base nesse caso hipotético, julgue o item. ˑ
Caso o resistor R3 seja substituído por um capacitor, o medidor M3 indicará, em regime permanente de operação do circuito CC apresentado, um valor de tensão igual a 0 V.