- EletrotécnicaCircuitos de Corrente Contínua em Eletrotécnica
- EletrotécnicaCircuitos Elétricos em Eletrotécnica

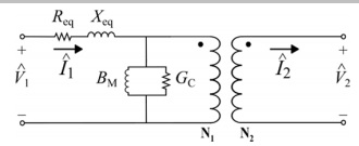
Para determinar os parâmetros de um transformador monofásico de 2 kV/200 V, 10 kVA, um fabricante resolveu submeter o dispositivo aos ensaios de curto-circuito e de circuito aberto. Os dados obtidos no enrolamento primário no ensaio de curto-circuito, realizado com corrente nominal e enrolamento secundário curto-circuitado, foram: P = 50 W e tensão aplicada ao primário (
1) igual a 35 V. Já os dados obtidos no enrolamento secundário no ensaio a vazio, realizado com tensão nominal aplicada ao secundário (
2 ) e os terminais primários em aberto, foram: P = 80 W e
2= 2A. Os parâmetros Req e Xeq são, respectivamente, a resistência e a reatância equivalentes, assim como BM e GC são, respectivamente, a susceptância e a condutância equivalentes, conforme ilustrado na figura acima, relativamente ao primário.
Com base nessa situação hipotética, julgue o item subsequente.
Pode-se estimar, dos ensaios realizados, que, aproximadamente, Req = 2 Ω e Xeq = 6,7 Ω, relativos ao secundário.