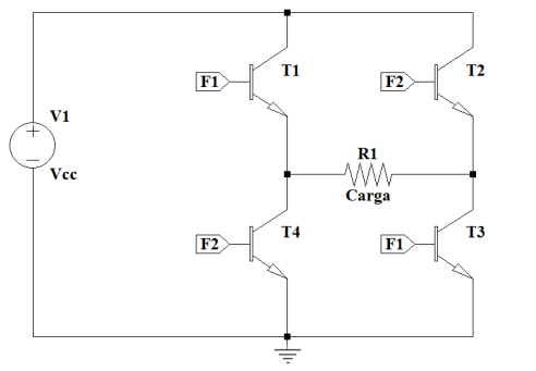
O diagrama abaixo é uma simplificação de uma aplicação utilizando transistores.

Nesse diagrama, a fonte V1 é de natureza contínua, e a carga R representa a saída do circuito. Com relação aos transistores, os elementos T1 e T3 são polarizados na base pelo mesmo sinal “F1”, enquanto os elementos T2 e T4 são polarizados pelo mesmo sinal de controle “F2”. Esse diagrama simplificado está representando um