Magna Concursos
Questões
Planos
Entrar
Entrar
Criar Conta
Respondida
187074
Ano:
2018
Disciplina:
Eletroeletrônica
Banca:
FCC
Orgão:
SABESP
Provas:
Oficial de Manutenção - Elétrica
Provas
×
Eletrotécnica
Componentes Eletrônicos em Eletricidade
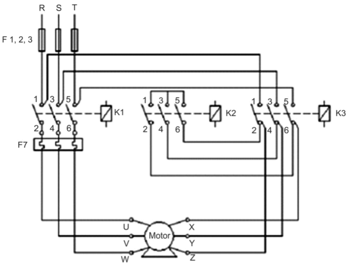
O diagrama representado é configurado para acionamento e proteção de um motor trifásico.
É correto afirmar que
A
o acionamento é uma chave estrela/triângulo e os contatores K1, K2 e K3 permanecem fechados após a partida.
B
inicialmente a partida ocorre na conexão estrela e os contatores K1 e K2 são fechados, em seguida K2 é aberto e K3 é fechado para a conexão triângulo.
C
o componente F7 é um disjuntor termomagnético.
D
o comando é um acionamento de motor, com reversão de rotação.
E
inicialmente a partida ocorre na conexão estrela e os contatores K3 e K2 são fechados, em seguida K2 é aberto e K1 é fechado para a conexão triângulo.
Resolver
Comentários
0
×
Cadernos
×
Flashcards
×
Estatísticas
×
Reportar um erro
×
Provas
Questão presente nas seguintes provas
Oficial de Manutenção - Elétrica
40 Questões
Resolver Prova
Publicar
Responder
Qual o problema da questão?
Selecione uma opção
Questão Desatualizada
Questão Repetida
Gabarito Errado
Outros Motivos
Mensagem
Enviar
Acessar
Criar Conta
Acesse sua Conta
Google
Facebook
Esqueci minha senha
Acessar
Ainda não tem conta?
Crie uma
!
Crie uma Conta
Criar Conta
Olá, para continuar, precisamos criar uma conta!
É
rápido
e
grátis
.
Google
Facebook
Concordo com os
Termos de Uso
Criar
Já tem uma conta?
Acesse aqui