Magna Concursos
1233205 Ano: 2016
Disciplina: Eletroeletrônica
Banca: AOCP
Orgão: CASAN-SC
Provas:

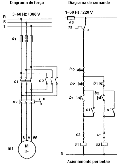
Analise os diagramas elétricos de força e de comando das figuras a seguir e assinale a alternativa correta.

enunciado 1233205-1

 

Provas

Questão presente nas seguintes provas

Eletrotécnico

50 Questões