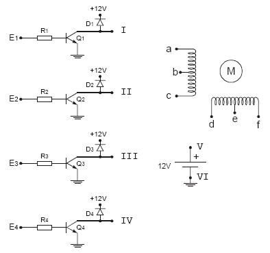
A figura abaixo representa os enrolamentos de um motor de passo de 6 fios, uma bateria de 12 V e uma interface de potência para que o motor de passo possa ter as suas rotações horária e anti-horária controladas por um circuito digital de 4 bits. A tensão de alimentação do motor de passo é de 12 V.
