- EletrotécnicaCircuitos Elétricos em Eletricidade
- EletrotécnicaCircuitos de Corrente Contínua e de Corrente Alternada

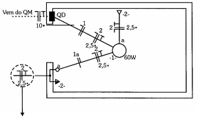
Ao analisar o diagrama unifilar da instalação elétrica apresentada acima, considere as seguintes afirmativas:
I – o circuito 1 é empregado para alimentação da lâmpada e o circuito 2 para alimentação das tomadas.
II – no eletroduto entre a lâmpada e o interruptor, estão instalados somente os cabos de neutro e retorno do circuito 1 de iluminação.
III – no eletroduto entre a lâmpada e a tomada baixa, estão instalados os cabos de fase, neutro e terra de 2,5 mm2.
Das afirmativas apresentadas acima, estão corretas, apenas: