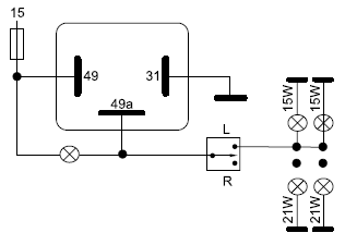
O condutor reclama de variação de frequência e potência das lâmpadas quando aciona a chave do indicador de direção. Analise o circuito elétrico, conforme imagem, e, a seguir, assinale a alternativa que indica o problema.

O condutor reclama de variação de frequência e potência das lâmpadas quando aciona a chave do indicador de direção. Analise o circuito elétrico, conforme imagem, e, a seguir, assinale a alternativa que indica o problema.
