Magna Concursos
3880275 Ano: 2025
Disciplina: Eletroeletrônica
Banca: UEM
Orgão: UEM
Provas:

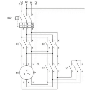
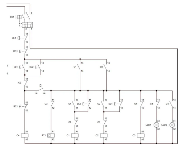
A seguir são apresentados os diagramas de um circuito de comando e de potência de um motor.

Enunciado 4806244-1

Enunciado 4806244-2

Assinale a alternativa correta. 

 

Provas

Questão presente nas seguintes provas

Engenheiro Eletricista

40 Questões