- EletrotécnicaCircuitos Elétricos em Eletricidade
- EletrotécnicaMotores
- EletrotécnicaEquipamentos Elétricos
- EletrotécnicaCircuitos de Corrente Contínua e de Corrente Alternada
- Chaves Seccionadoras
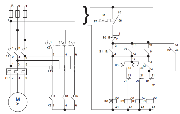
Considere o esquema abaixo.

O esquema apresentado na figura representa um diagrama