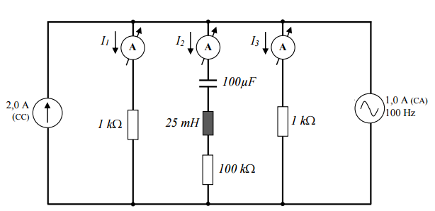
O circuito elétrico a seguir foi construído em laboratório com auxílio de uma fonte de corrente
contínua (CC), um gerador de sinais habilitado como fonte de corrente alternada (CA) e alguns
componentes passivos (RLC). A fonte CC tem amplitude 2,0 A, enquanto que a fonte CA tem
valor de pico 1,0 A e frequência 100 Hz, sendo esta compatível com a frequência de ressonância
do ramo do circuito que contém o indutor e o capacitor. Três multímetros digitais configurados
como amperímetros foram conectados individualmente em cada um dos ramos do circuito
elétrico, tal como apresentado na figura a seguir.

Os instrumentos foram ajustados para medir o valor médio da corrente em cada ramo (I1m; I2m; I3m). A opção que representa, em regime permanente, o valor mais próximo de cada uma destas grandezas é:

Os instrumentos foram ajustados para medir o valor médio da corrente em cada ramo (I1m; I2m; I3m). A opção que representa, em regime permanente, o valor mais próximo de cada uma destas grandezas é: