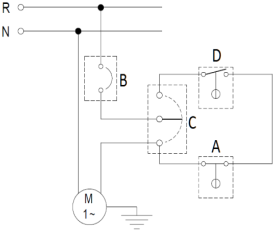
O diagrama representa um comando automático de motor monofásico através de dispositivos de comutação.

Com base no funcionamento deste circuito e seus dispositivos, assinale a afirmativa correta.
O diagrama representa um comando automático de motor monofásico através de dispositivos de comutação.

Com base no funcionamento deste circuito e seus dispositivos, assinale a afirmativa correta.