Magna Concursos
Questões
Planos
Entrar
Entrar
Criar Conta
Respondida
492480
Ano:
2019
Disciplina:
Eletroeletrônica
Banca:
NUCEPE
Orgão:
FMS Teresina-PI
Provas:
Auxiliar Técnico - Eletricista
Provas
×
Eletrotécnica
Motores
Eletrotécnica
Equipamentos Elétricos
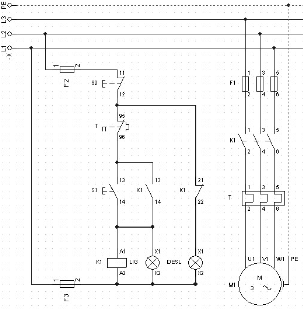
O digrama elétrico da figura abaixo representa um circuito de comando e força de um motor elétrico M. A botoeira que liga o referido motor está representada por:
A
K1.
B
S1.
C
S0.
D
F1.
E
F2.
Resolver
Comentários
0
×
Cadernos
×
Flashcards
×
Estatísticas
×
Reportar um erro
×
Provas
Questão presente nas seguintes provas
Auxiliar Técnico - Eletricista
40 Questões
Resolver Prova
Publicar
Responder
Qual o problema da questão?
Selecione uma opção
Questão Desatualizada
Questão Repetida
Gabarito Errado
Outros Motivos
Mensagem
Enviar
Acessar
Criar Conta
Acesse sua Conta
Google
Facebook
Esqueci minha senha
Acessar
Ainda não tem conta?
Crie uma
!
Crie uma Conta
Criar Conta
Olá, para continuar, precisamos criar uma conta!
É
rápido
e
grátis
.
Google
Facebook
Concordo com os
Termos de Uso
Criar
Já tem uma conta?
Acesse aqui