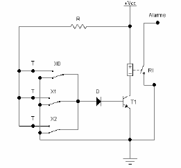
O circuito abaixo é um comando de alarme acionado pelos contatos repouso/trabalho (R/T), X0, X1 e X2. No esquema os contatos estão nas posições R.

Provas
Questão presente nas seguintes provas
O circuito abaixo é um comando de alarme acionado pelos contatos repouso/trabalho (R/T), X0, X1 e X2. No esquema os contatos estão nas posições R.
